Система охлаждения и разогрева служит для принудительного отвода тепла от двигателя и компрессора, разогрева охлаждающей жидкости и масла перед пуском двигателя при низкой температуре окружающего воздуха, подачи разогретой жидкости на отопитель кабины. Охлаждение двигателя жидкостное, закрытою типа, с принудительной циркуляцией охлаждающей жидкости.
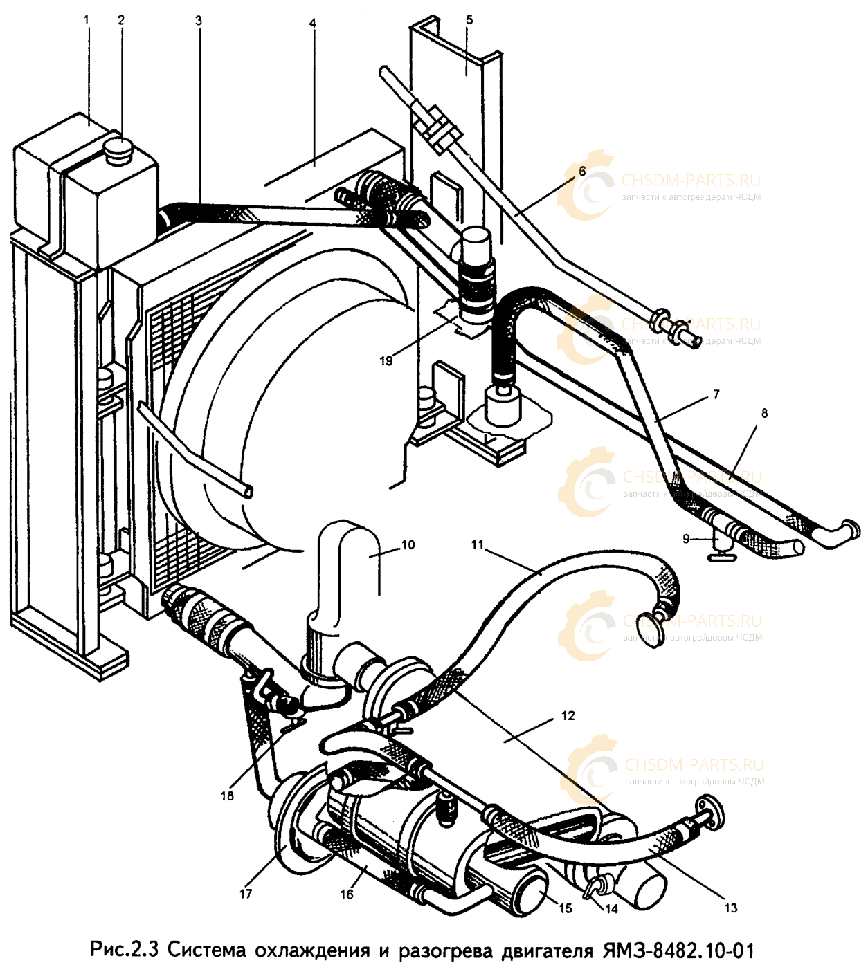
В систему охлаждения и разогрева двигателя ЯМЗ 8482.10-01 входят следующие основные составные части: водяной насос 10 (рис. 2.3), радиатор 4, расширительный бачок 1, коробка термостатов 19, вентилятор с гидромеханическим приводом, предпусковой подогреватель ПЖД-30, состоящий из котла 15 подогревателя и насосного агрегата 17.
Гидромеханический привод вентилятора обеспечивает в зависимости от изменения температуры охлаждающей жидкости автоматическое изменение частоты вращения вентилятора, который закреплен на ведомом валу гидравлической муфты. Частота вращения ведомого вала гидромуфты зависит от расхода масла через нее, который меняется при изменении температуры охлаждающей жидкости.
Наличие в системе термостатов позволяет при температуре охлаждающей жидкости ниже 70°С обеспечить циркуляцию потока жидкости, минуя радиатор. При нагреве охлаждающей жидкости выше 70°С поток жидкости начинает циркулировать через радиатор. Одновременная автоматическая работа вентилятора и термостатов обеспечивает оптимальный тепловой режим работы двигателя и быстрый прогрев при пуске, Для чего при отрицательных температурах окружающего воздуха дополнительно необходимо закрывать капот двигателя утеплительным чехлом, а радиатор - шторкой (при наличии). При работе автогрейдера в условиях отрицательных температур в качестве охлаждающей жидкости необходимо применять только низкозамерзающую охлаждающую жидкость.
Тепловой режим работы двигателя контролируется по показаниям приборов, регистрирующих температуру охлаждающей жидкости в системе охлаждения и масла в системе смазки.
Подача разогретой жидкости для работы отопителя кабины производится с помощью расположенного над двигателем крана отопителя. В теплый период кран отопителя должен быть закрыт.
Заправка системы охлаждения и разогрева проводится через заливную горловину расширительного бачка. Слив жидкости происходит при открытии кранов 9,14,18.
Радиатор 4 (рис. 2.3) трубчато-ленточный, четырехрядный, без заливной горловины. Радиатор крепится на четырех опорах через резиновые амортизаторы к двум стойкам, установленным на раму автогрейдера. В верхний коллектор радиатора происходит подвод охлаждающей жидкости, а из нижнего коллектора - отвод с помощью водяного насоса. Верхний коллектор через рукав соединен с расширительным бачком.
Расширительный бачок 1 служит емкостью для охлаждающей жидкости, увеличивающейся в объеме при нагревании, а также для заливки жидкости в систему охлаждения и предпускового разогрева двигателя. Излишки жидкости и пар из радиатора поступают в расширительный бачок, а при разрежении в системе часть жидкости перетекает обратно в радиатор, препятствуя возникновению воздушных пробок.
Система охлаждения и разогрева двигателя ЯМЗ-240Г отличается от соответствующей системы двигателя ЯМЗ-8482.10-01 только расположением составных частей и трубопроводов, а также отсутствием коробки термостатов.
Система охлаждения и разогрева двигателей ЯМЗ-238НДЗ и ЯМЗ-238НД2 имеет следующие особенности:
- отсутствует гидромуфта привода вентилятора;
- подвод охлаждающей жидкости в радиатор происходит по двум трубам с термостатом в каждой;
- кран для включения циркуляции разогретой жидкости через отопитель кабины расположен у поддона двигателя справа по ходу автогрейдера, у конца рукава, отводящего жидкость из отопителя;
- для слива жидкости из системы имеются три сливных крана и, при необходимости, сливное отверстие на насосном агрегате подогревателя, закрытое пробкой.
