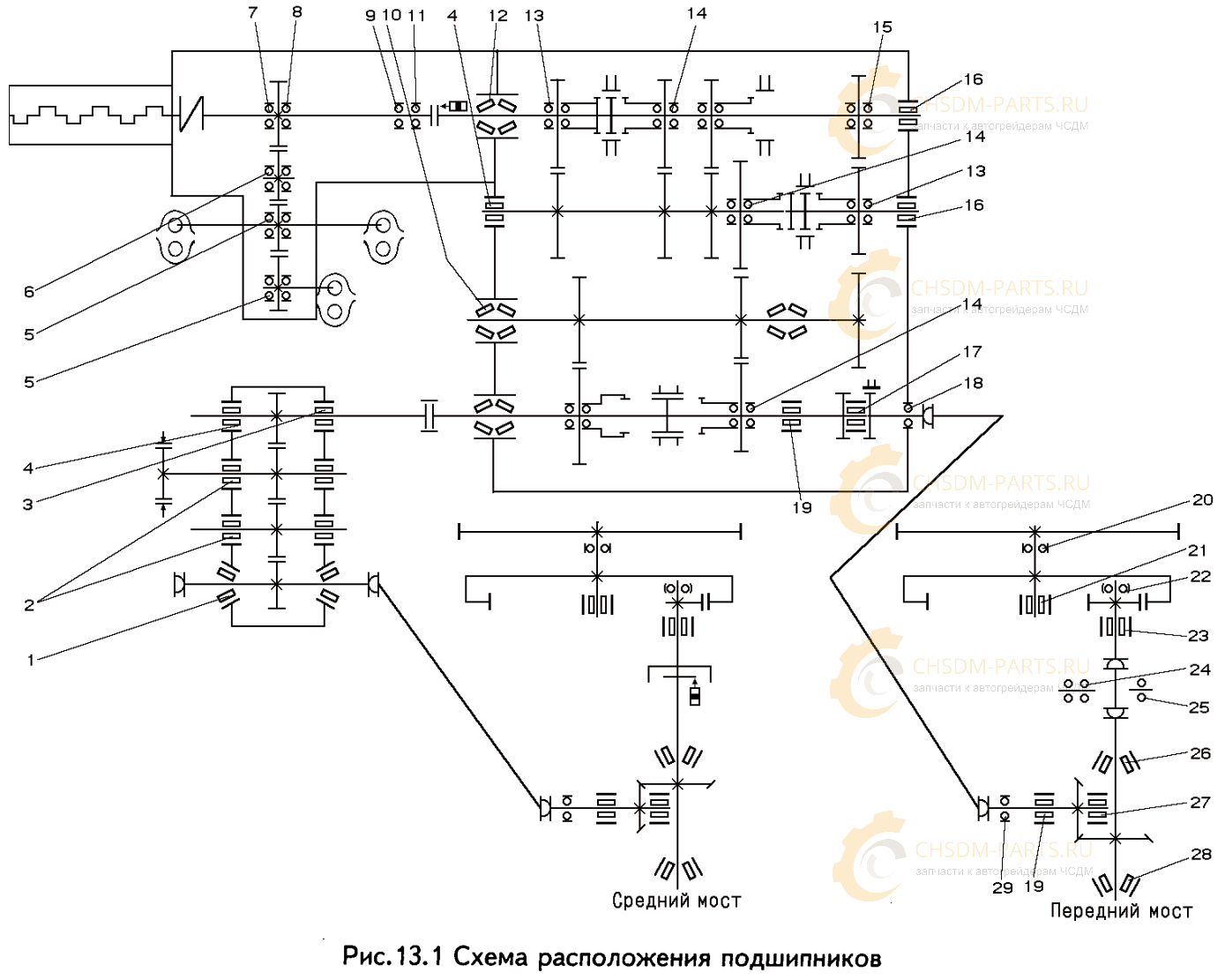
Рис. 13.1 Схема расположения подшипников
| Позиция на Рис. 13.1 | Номер подшипника | Номер стандарта | Основные размеры, мм | Обозначение сб. ед. | Кол-во на cб. ед. |
| 1 | 7313К1 | ГОСТ 333-79 | 65X140X33 | ДЗ-98.10.05.000-02 | 2 |
| ДЗ-98.62.000.140 | 3 | ||||
| 2 | 42613 | ГОСТ 8328-75 | 65X140X48 | ДЗ-98.10.05.00-02 | 4 |
| 3 | 92317К1 | - “” - | 85X180X41 | ДЗ-98.10.04.000 | 1 |
| ДЗ-98.10.05.000-02 | 1 | ||||
| Д3955-04-040 | 1 | ||||
| 4 | 92412 | - “” - | 65X150X35 | ДЗ-98.10.04.000 | 1 |
| ДЗ-98.10.05.000-02 | 1 | ||||
| 5 | 111Л | ГОСТ 8338-75 | 50X90X18 | ДЗ-98.10.06.000-09 | 4 |
| 6 | 310 | - “” - | 50X110X27 | ДЗ-98.10.06.000-09 | 2 |
| 7 | 219 | - “” - | 95X170X32 | ДЗ-98.10.06.000-09 | 1 |
| 8 | 220 | - “” - | 100X180X34 | ДЗ-98.10.06.000-09 | 1 |
| 9 | 180308 | РТМ 37006.012-70 | 40X90X23 | ДЗ-98.10.02.000 | 2 |
| 10 | 3616 | ГОСТ 5721-75 | 80X170X58 | ДЗ-98.10.04.000 | 1 |
| 11 | 118 | - “” - | ДЗ-98.10.02.000 | 1 | |
| 12 | 3614 | ГОСТ 5721-75 | 70X150X51 | ДЗ-98.10.04.000 | 1 |
| 13 | 212 | ГОСТ 8338-75 | 60X110X22 | Д395Б-04-020-1 | 2 |
| Д395Б-04-030 | 2 | ||||
| 14 | 115 | - “” - | 75X115X20 | Д395Б-04-020-1 | 4 |
| Д395Б-04-030 | 2 | ||||
| Д395Б-04-050 | 2 | ||||
| 15 | 312 | - “” - | 60X130X31 | Д395Б-04-020-1 | 2 |
| 16 | 2411 | ГОСТ 83282-75 | 55X140X33 | Д395Б-04-020-1 | 1 |
| Д395Б-04-030 | 1 | ||||
| 17 | 64706 | Нестандартный | 30X42X44 | ДЗ-98.10.04.000 | 1 |
| 18 | 313 | ГОСТ 8338-75 | 65X140X33 | ДЗ-98.16.01.200 | 2 |
| ДЗ-98.16.01.210 | 2 | ||||
| ДЗ-105.16.01.050 | 1 | ||||
| Д395В.10.04.140 | 3 | ||||
| ДЗ-98.62.00.140 | |||||
| 19 | 2315 | ГОСТ 8328-75 | 75X160X37 | Д395Б-04-050 | 1 |
| 20 | 322 | ГОСТ 8338-75 | 110X240X50 | ДЗ-98.61.00.050 | 1 |
| ДЗ-98.61.00.060 | 1 | ||||
| ДЗ-98.62.00.120 | 2 | ||||
| ДЗ-98.62.00.130 | 2 | ||||
| 21 | 32615 | ГОСТ 8328-75 | 75X160X55 | ДЗ-98.61.00.050 | 1 |
| ДЗ-98.61.00.060 | 1 | ||||
| ДЗ-98.62.00.120 | 2 | ||||
| ДЗ-98.62.00.130 | 2 | ||||
| 22 | 3610 | ГОСТ 5721-75 | 50X110X40 | ДЗ-98.61.00.050 | 1 |
| ДЗ-98.61.00.060 | 1 | ||||
| ДЗ-98.62.00.120 | 2 | ||||
| ДЗ-98.62.00.130 | 2 | ||||
| 23 | 2313 | ГОСТ 8328-75 | 65X140X33 | ДЗ-98.61.00.050 | 1 |
| 24 | 29908 | Нестандартный | 38X72X21 | ДЗ-98.61.00.000 | 2 |
| 25 | 29310 | ГОСТ 5377-79 | 65X110X27 | ДЗ-98.61.00.000 | 4 |
| 26 | 292213К | ГОСТ 5377-79 | 80X120X23 | ДЗ-98.61.00.000 | 2 |
| 27 | 32311 | ГОСТ 8328-75 | 55X120X29 | ДЗ-98.61.00.140 | 3 |
| 28 | 7218 | ГОСТ 333-79 | 90X160X30 | ДЗ-98.62.00.140 | 3 |
| 29 | 315 | ГОСТ 8338-75 | 75X160X37 | ДЗ-98.62.00.140 | 3 |
| ШС-50 | ГОСТ 3635-78 | 50X75X35 | Д395В-31-500 | 1 | |
| 8308 | ГОСТ 6874-75 | 40X78X26 | ДЗ-98.29.00.000 | 2 | |
| 207 | ГОСТ 8338-75 | 35X72X17 | ДЗ-98.14.00.100 | 2 | |
| Д395Б-04-050 | 2 | ||||
| 308 | - “” - | 40X90X23 | ДЗ-98.29.00.000 | 2 |
